- product -
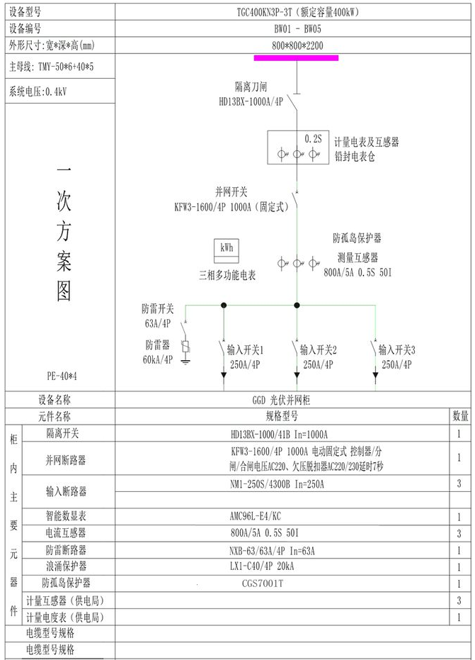
产品介绍:光伏并网柜主要用于110KV、35KV的集中式光伏并网接入系统和10KV、380V分布式光伏接入并网系统,该主要由防孤岛保护装置,并网开关、防雷器、温湿度控制器、电能计量装置和柜体附件等相关硬件组成。分布式光伏并网柜的作用:1、当光伏本侧出现电压,……
· 分布式光伏并网柜的作用:1、当光伏本侧出现电压,频率、过负荷等相关情况时,对本站设备造成潜在危险和对电网侧产生冲击和影响时,光伏防孤岛保护装置可以迅速向并网开关发出命令,让期跳闸,从而迅速切除故障电路。2、当电网侧出现电压、频率方面的波动对本站造成冲击的时候, 也能迅速的采集到相关信号,并能迅速的发出命令,指挥并网开关跳闸。3、当本侧出现故障,而电网侧还有电,这时需要相关工作人员检修,这时设备可以有效的防止电网侧向本侧反送电的情况,从而*了本则光伏电站检修人员的生命*。




返回顶部